À propos
Catalogue général
Recherche avancée
Accueil
>
Catalogue général
> Cochet, G. - Bazar d'électricité : album de 72 schémas d'installation de sonnerie, télépho...
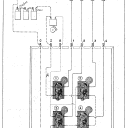
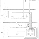
Bazar d'électricité : album de 72 schémas d'installation de sonnerie, téléphones, lumière
NOTICE DÉTAILLÉE
ACCÈS AUX IMAGES
TABLE DES MATIÈRES ABRÉGÉE
TEXTE OCÉRISÉ
EXPORT
NOTE DE PRÉSENTATION
RECHERCHER DANS CE TITRE